Преглед изворни кода

Merge branch 'master' of http://213.155.192.79:3001/ypv/TZI

ypv пре 2 година
родитељ
комит
2484ee3e90

BIN
Лекции/ПМ3.1/3.1.400_Виды_паразитных_связей_и_наводок/77ks.png


BIN
Лекции/ПМ3.1/3.1.400_Виды_паразитных_связей_и_наводок/88ks.png


+ 70 - 0
Лекции/ПМ3.1/3.1.400_Виды_паразитных_связей_и_наводок/kuleshov.md

@@ -0,0 +1,70 @@
+# Виды паразитных связей и наводок
+
+Элементы, цепи, тракты, соединительные провода и линии связи любых электронных систем и схем постоянно находятся под воздействием собственных (внутренних) и сторонних (внешних) электромагнитных полей различного происхождения, индуцирующих или наводящих в них значительные напряжения. Такое воздействие называют электромагнитным влиянием или просто влиянием на элементы цепи Коль скоро такое влияние образуется непредусмотренными связями, то говорят о паразитных (вредных) связях и наводках, которые также могут привести к образованию каналов утечки информации. Основными видами паразитных связей в схемах электромагнитных устройств являются емкостные, индуктивные, электромагнитные, электромеханические связи и связи через источники питания и заземления радиоэлектронных средств. Рассмотрим паразитные связи и наводки на примере широко распространенных усилительных схем различного назначения.
+
+# Паразитные емкостные связи
+
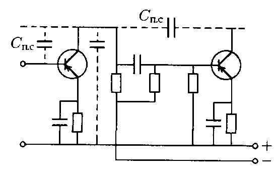
+ Эти связи обусловлены электрической емкостью между элементами, деталями и проводниками усилителей, несущих потенциал сигнала. Так как сопротивление емкости, создающей паразитную емкостную связь, падает с ростом частоты (хс = 1/wС), проходящая через него энергия с повышением частоты увеличивается. Поэтому паразитная емкостная связь может привести к самовозбуждению на частотах, превышающих высшую рабочую частоту усилителя.
+
+![](77ks.png)
+
+# Паразитные индуктивные связи
+
+Такие связи обусловлены наличием взаимоиндукции между проводниками и деталями усилителя, главным образом между его трансформаторами. Паразитная индуктивная обратная связь между трансформаторами усилителя, например между входным и выходным трансформаторами, может вызвать самовозбуждение в области рабочих частот и на гармониках.
+
+# Паразитные электромагнитные связи
+
+Они приводят к самовозбуждению отдельных каскадов звуковых и широкополосных усилителей на частотах порядка десятков и сотен мегагерц. Эти связи обычно возникают между выводными проводниками усилительных элементов, образующими колебательную систему с распределенными параметрами на резонансной частоте определенного значения.
+
+# Паразитные электромеханические связи
+
+Проявляются в устройствах, корпус которых имеет жесткую механическую связь с включенным на вход усилителя громкоговорителем, в усилителях, расположенных близко от громкоговорителя, а также в усилителях, подвергающихся вибрации (сотрясению). Механические колебания диффузора близкорасположенного громкоговорителя через корпус последнего и шасси усилителя, а также через воздух передаются усилительным элементам. Вследствие микрофонного эффекта эти колебания вызывают в цепях усилителя появление переменной составляющей тока, создающей паразитную обратную связь.
+
+# Обратная связь в устройствах звуковых частот
+
+Обратная связь представляет собой передачу сигналов из последующих цепей в предыдущие, т.е. в направлении, обратном нормальному, напри­мер из выходной цепи усилительного элемента или усилителя в его входную цепь.
+
+# Паразитные обратные связи через источники питания
+
+Обратные связи через источники питания в многокаскадном усилителе возникают вследствие того, что источник питания имеет внутренне сопротивление Так выходной ток сигнала усилителя, проходя через источник питания Епит, создает на внутреннем сопротивлении r последнего падение напряжения U = Iвыx z. Это напряжение, вместе с постоянной составляющей напряжения источника питания, подается на предыдущие каскады, а затем через элементы межкаскадной связи попадает на входы усилительных элементов, создавая в усилителе паразитную обратную связь. В зависимости от фазы по отношению к сигналу это напряжение может увеличивать напряжение сигнала и при достаточной глубине может привести к его самовозбуждению.
+
+![](88ks.png)
+
+# Вопросы по теме
+
+# 1.Что такое паразитные емкостные связи?
+
+а) Обратные связи через источники питания в многокаскадном усилителе возникают вследствие того, что источник питания имеет внутренне сопротивление
+
+б) Проявляются в устройствах, корпус которых имеет жесткую механическую связь с включенным на вход усилителя громкоговорителем
+
+в) Такие связи обусловлены наличием взаимоиндукции между проводниками и деталями усилителя, главным образом между его трансформаторами.
+
+**г) Эти связи обусловлены электрической емкостью между элементами, деталями и проводниками усилителей, несущих потенциал сигнала.**
+
+# 2.Что такое паразитные обратные связи через источники питания
+
+а) Эти связи обусловлены электрической емкостью между элементами, деталями и проводниками усилителей, несущих потенциал сигнала
+
+**б) Обратные связи через источники питания в многокаскадном усилителе возникают вследствие того, что источник питания имеет внутренне сопротивление**
+
+в) Такие связи обусловлены наличием взаимоиндукции между проводниками и деталями усилителя, главным образом между его трансформаторами
+
+г) Проявляются в устройствах, корпус которых имеет жесткую механическую связь с включенным на вход усилителя громкоговорителем
+
+# 3.Что такое паразитные индуктивные связи
+
+а) Обратные связи через источники питания в многокаскадном усилителе возникают вследствие того, что источник питания имеет внутренне сопротивление
+
+б) Проявляются в устройствах, корпус которых имеет жесткую механическую связь с включенным на вход усилителя громкоговорителем
+
+**в) Такие связи обусловлены наличием взаимоиндукции между проводниками и деталями усилителя, главным образом между его трансформаторами.**
+
+г) Эти связи обусловлены электрической емкостью между элементами, деталями и проводниками усилителей, несущих потенциал сигнала.
+
+### Список литературы
+
+https://studfile.net/preview/9347398/page:2/
+https://studfile.net/preview/5274318/page:3/
+https://studopedia.ru/18_70334_parazitnie-svyazi-i-navodki.html
+https://www.reallab.ru/bookasutp/3-zashita-ot-pomeh/3-4-parazitnie-svyazi/