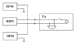
Департамент образования и науки Брянской области Государственное автономное профессиональное образовательное учреждение «Новозыбковский профессионально-педагогический колледж» **Доклад** **На тему "Устройства высокочастотного навязывания"** Подготовил: Салмин Кирилл Андреевич Преподаватель: Якушенко Павел Васильевич Новозыбков, 2022 # **Содержание.** # [Содержание. 2](#_toc98154278) [Общая характеристика высокочастотного навязывания. 3](#_toc98154279) [Классификация методов высокочастотного навязывания. 4](#_toc98154280) [Оптико-акустическая аппаратура перехвата речевой информации. 6](#_toc98154281) [Список использованной литературы. 9](#_toc98154282) # **Общая характеристика высокочастотного навязывания.** высокочастотный навязывание акустический радиодиапазон Под высокочастотным навязыванием (ВЧ-навязыванием) понимают способ несанкционированного получения речевой информации, основанный на зондировании мощным ВЧ-сигналом заданной области пространства. Он заключается в модуляции электромагнитного зондирующего сигнала речевым в результате их одновременного воздействия на элементы обстановки или специально внедренные устройства. Качество перехвата аудиоинформации с помощью ВЧ-навязывания зависит от ряда факторов: • характеристик и пространственного положения источника акустического сигнала; • наличия в контролируемом помещении нелинейного элемента (устройства), параметры которого (геометрические размеры, положение в пространстве, индуктивность, емкость, сопротивление и т. д.) изменяются по закону акустического сигнала; • характеристик внешнего источника, облучающего данный элемент (устройство); • типа приемника отраженного сигнала. **Высокочастотное зондирование** Принцип организации съема информации, основанный на ВЧ-зондировании, показан на рис 1. Однако в некоторых случаях применяются и более сложные схемы. ![C:\Users\stud\Desktop\hm7usAw25Yg.jpg](Aspose.Words.968ececf-34c1-4571-9c2f-0f375368b546.001.jpeg) **Рис 1. Организация перехвата информации с использованием ВЧ-навязывания** Основные достоинства данного способа заключаются в активации модуляторов ВЧ-сигнала (нелинейных элементов) только на момент съема ин-формации, а также в возможности (в ряде случаев) вести акустический контроль помещений без непосредственного проникновения для установки закладных устройств. Основной недостаток метода – как правило, малая дальность действия и высокие уровни облучающих сигналов, наносящие вред здоровью людей. Данные обстоятельства существенно снижают ценность ВЧ-зондирования. Однако определенные методы, о которых будет рассказано в дальнейшем, получили достаточно широкое распространение. # **Классификация методов высокочастотного навязывания.** Общее представление о многообразии методов такого перехвата дает следующая классификация. ![](Aspose.Words.968ececf-34c1-4571-9c2f-0f375368b546.002.png) **Устройства для перехвата речевой информации в проводных каналах** В настоящее время ВЧ-навязывание нашло широкое применение в телефонных линиях для акустического контроля помещений через микрофон телефонной трубки, лежащей на аппарате. Принцип реализации метода заключается в том, что в телефонную линию относительно общего корпуса (в качестве которого, например, используют контур заземления или трубы парового отопления) на один из проводов подают ВЧ-колебания от специального генератора-передатчика (ПРД). Через элементы схемы телефонного аппарата (ТА), даже если трубка не «снята», они поступают на микрофон и модулируются речью ничего не подозревающих собеседников. Прием информации производится также относительно общего корпуса, но уже через второй провод линии. Амплитудный детектор приемника (ПРМ) позволяет выделить низкочастотную огибающую для дальнейшего усиления и записи. Очевидно, что качество перехватываемой информации тем выше, чем ближе осуществлено подключение к (оконечному устройству) телефонному аппарату. Это обстоятельство вносит определенные неудобства в использование данного метода. Фильтр нижних частот (ФНЧ) в линии необходим для одностороннего распространения высокочастотных зондирующих колебаний. ![](Aspose.Words.968ececf-34c1-4571-9c2f-0f375368b546.003.png) **Рис.2 Принцип реализации ВЧ-навязывания на телефонный аппарат** Принципиально ВЧ-сигнал в данном случае используется для преодоления разомкнутых контактов микрофонной цепи аппарата при положенной телефонной трубке. Дело в том, что для зондирующего сигнала механически разомкнутый контакт является своего рода воздушным конденсатором, сопротивление которого будет тем меньше, чем выше частота сигнала от генератора. При воздействии ВЧ-излучения на телефонный аппарат нелинейные процессы происходят в целом ряде элементов его электрической схемы. Однако наиболее сильно они проявляются именно в микрофоне, сопротивление которого изменяется по закону случайно воздействующего акустического сигнала, что и приводит к амплитудной модуляции несущей. Для гарантированного возникновения указанного эффекта уровень зондирующего сигнала в микрофонной цепи должен быть не меньше 150 мВ, а выходное сопротивление генератора должно быть выше, чем у микрофона, в 5–10 раз. Частота зондирующего сигнала должна лежать в диапазоне 30 кГц.-20 МГц. Чаще ее выбирают примерно равной 1 МГц, так как при этом обеспечиваются наилучшие условия распространения. Дальность действия подобных устройств в реальных условиях не превышает нескольких десятков метров. В перспективе в области использования проводных каналов, вероятно, будут осваиваться способы зондирования не только телефонных аппаратов, но и других устройств, в том числе по цепям питания, заземления и т. д. # **Оптико-акустическая аппаратура перехвата речевой информации.** Наиболее перспективным направлением в области ВЧ-навязывания является использование лазерных микрофонов, первые образцы которых были приняты на вооружение американскими спецслужбами еще в 60-е годы. Принцип работы этих устройств, получивших название лазерные системы акустической разведки (ЛСАР), заключается в следующем. Генерируемое лазерным передатчиком излучение (ВЧ-сигнал) распространяется через атмосферу, отражается от поверхности оконного стекла, модулируется при этом по закону акустического сигнала, также воздействующего на стекло, повторно преодолевает атмосферу и принимается фотоприемником (ПРМ), восстанавливающим разведываемый сигнал (рис. 3). ![](Aspose.Words.968ececf-34c1-4571-9c2f-0f375368b546.004.png) **Рис. 3. Принцип работы лазерного микрофона** Сама модуляция зондирующего сигнала на нелинейном элементе, в качестве которого выступает оконное стекло, достаточно сложный физический процесс, который упрощенно может быть представлен в следующем виде: 1\. Звуковая волна, генерируемая источником акустического сигнала, падая на границу раздела воздух–стекло, вызывает отклонения поверхности стекла от исходного положения. Отклонения приводят к дифракции света, отражающегося от этой границы. Действительно, это заметно, например, при падении плоской монохроматической звуковой волны на плоскую границу раздела. Отклонения границы от стационарного состояния представляют собой бегущую вдоль стекла «поверхностную» волну с амплитудой, пропорциональной амплитуде смещений среды в поле звуковой волны, а длина этой «поверхностной» волны равна: λ п= λа/sinθ3, где θ3– угол падения, а λа – длина падающей акустической волны. 2\. Отраженный от возмущенной поверхности свет содержит сдвинутые по частоте дифракционные компоненты. Если поперечный размер падающего пучка лазерного излучения значительно превышают длину «поверхностной» волны, то отраженный свет представляет собой совокупность дифрагирующих пучков, распространяющихся по дискретным направлениям, определяемым из равенства ![](Aspose.Words.968ececf-34c1-4571-9c2f-0f375368b546.005.png) В результате в отраженных пучках присутствуют три вида модулции оптического излучения. Во-первых*,* частотная модуляция, вызванная эффектом Доплера, вследствие колебательных движений оконного стекла под воздействием акустических сигналов. При этом девиация частоты относительно центрального значения монохроматического излучения лазера подсветки имеет величину ![](Aspose.Words.968ececf-34c1-4571-9c2f-0f375368b546.006.png) Во-вторых*,* фазовая модуляция, вызванная наличием в отраженном сигнале как зеркально отраженного, так и дифракционных компонентов. Результат суперпозиции последних приводит к тому, что если поперечные размеры падающего оптического пучка малы по сравнению с длиной «поверхностной» волны, то в отраженном сигнале будет доминировать дифракционный пучок нулевого порядка. В этом случае и окажется, что фаза световой волны будет промодулирована во времени с частотой звукового сигнала. В-третьих*,* амплитудная модуляция, вызванная колебаниями подсвечивающего пучка относительно направления зеркального (максимального) отражения. Эти колебания вызваны также пространственным перемещением оконного стекла под воздействием акустического сигнала. # **Список использованной литературы.** 1\. Аксенов Л. Осторожно. Вас подслушивают //Новости разведки и контрразведки.– 1995.– № 7–8 (40-41).– с. 13. 2\. Андрианов В. И. и др. Шпионские штучки и устройства для защиты объектов и информации.– СПб.: Лань, 1995.–272 с. 3\. Волин М. Л. Паразитные процессы в радиоэлектронной аппаратуре. М: «Радио и связь», 1981, 296 с. 4\. Ковалев А. Н. Защита информации: правила и механизм лицензирования//Системы безопасности.– 1995.– № 5, с. 8–10. 5\. Лысов А. В., Остапенко А. Н. Телефон и безопасность.– СПб, Лаборатория ППШ, 1995.– 105 с. 6\. Организация и современные методы защиты информации. /Под общей редакцией С. А. Диева и А. Г. Шаваева/. М.: Концерн «Банковский Деловой Центр», 1998, 472 с. 7\. Петраков А. В. Основы практической защиты информации. М.: Радио и связь, 1999, 368 с. 8\. Технические методы и средства защиты информации/Ю. Н. Максимов, В. Г. Сонников, В. Г. Петров и др. СПб.: ООО «Издательство Полигон», 2000.—320 с. 9\. Торокин А. А. Основы инженерно-технической защиты информации. М: «Ось-89», 365 с. 10\. Хорев А. А. Защита информации от утечки по техническим каналам утечки информации. Часть 1. Технические каналы утечки информации. М.: Гостехкомиссия России, 1998, 320 с. 11\. Энциклопедия промышленного шпионажа/ Ю.Ф. Каторин, Е.В. Курен-ков, А.В. Лысов, А.Н. Остапенко / под общ. ред. Е.В. Куренкова – С.-Петербург: ООО «Издательство Полигон», 1999, -512с. Размещено на Allbest.ru