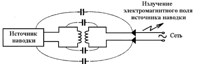
9 **Содержание** **Защитное заземление 2** **Попадание опасного сигнала в систему заземления 3** **Перехват электромагнитного поля опасного сигнала в грунте вокруг заземлителя 4** **Асимметричная наводка 5** **Симметричная наводка 7** **Вторичный источник питания как источник утечки информации 8** **Вопросы 10** **Список сайтов 11** Заземлением называется преднамеренное соединение объекта с заземляющим устройством. Заземление осуществляется путем создания системы проводящих поверхностей и электрических соединений, предназначенных для выполнения различных функций. **Защитное заземление** Защитное заземление предназначено для исключения поражения обслуживающего персонала электрическим током. Защитное заземление должно поддерживать элементы конструкции при одном и том же потенциале, равном или близком к потенциалу «земли», и обеспечивать низкоомную нагрузку для больших токов, возникающих в системах при аварийных ситуациях. Как правило, защитные заземления должны иметь хороший низкоомный контакт с «землей», поэтому их часто называют наружными заземлителями [8]. Наружные заземлители осуществляют заземление силовых систем, радиочастотных антенн, молниеотводов, стекателей статического электричества и т.д. Рабочие заземления включают в себя заземление силового оборудования (сильноточных цепей) и сигнальное или схемное заземление, которое обеспечивает формирование опорного потенциала, необходимого для работы электронных схем. Заземление экранирующих поверхностей способствует ослаблению нежелательных связей и является составной частью системы экранирования. Проводящие поверхности и электрические соединения системы заземления экранов предназначены для протекания обратных токов в сигнальных цепях и цепях электропитания. **Попадание опасного сигнала в систему заземления** Одной из причин попадания опасного сигнала в систему заземления является наличие электромагнитного поля - носителя опасного сигнала в местах расположения элементов системы заземления. Это электромагнитное поле будет наводить в расположенной поблизости системе заземления ток опасного сигнала. Аналогичным образом опасные сигналы могут наводиться на цепь, образуемую нулевым проводом, через который ток опасного сигнала будет попадать в систему заземления и далее в грунт. Величина тока опасного сигнала в этом случае будет определяться интенсивностью воздействующего электромагнитного поля, сопротивлением цепей заземления и проводимостью почвы. Проникновение опасного сигнала в цепи заземления может быть связано с образованием так называемых контуров заземления. Рассмотрим два устройства, соединенные парой проводников, один из которых является сигнальным, а другой служит для протекания обратных токов (рис. 109). ![Пример заземления двух устройств, соединенные парой проводников](Aspose.Words.bf96a981-3e61-4542-86e3-9eece665efd8.001.png) Рис. 109. Пример заземления двух устройств, соединенные парой проводников **Перехват электромагнитного поля опасного сигнала в грунте вокруг заземлителя** Возможность утечки информации, связанная с цепями заземления, обусловлена также наличием электромагнитного поля опасного сигнала в грунте вокруг заземлителя. Из-за большого затухания, вносимого грунтом, магнитное поле в землю практически не проникает. Электрическое поле в земле определяется величиной потенциала заземлителя и параметрами грунта, где происходит растекание тока опасного сигнала. С помощью дополнительных специально установленных заземлителей можно осуществить перехват опасного сигнала (см. рис. 112). ![Перехват опасного сигнала 6](Aspose.Words.bf96a981-3e61-4542-86e3-9eece665efd8.002.png) Рис. 112. Перехват опасного сигнала 6.6. Утечка информации по цепям питания Утечка информации по цепям питания обусловлена различными причинами. Как правило, провода общей сети питания распределяются по различным помещениям, где расположены технические системы, и соединены с различными устройствами. Вследствие этого образуется нежелательная связь между отдельными техническими средствами. Кроме того, провода сети питания являются линейными антеннами, способными излучать или воспринимать электромагнитные поля. На практике значительная часть нежелательных наводок между удаленными друг от друга устройствами происходит с участием сети питания [10]. При этом возможны различные ситуации. **Асимметричная наводка** В случае асимметричной наводки, когда провода сети питания прокладываются вместе и имеют одинаковые емкости относительно источников и приемников наводки, в них наводятся напряжения, одинаковые по величине и по фазе относительно земли и корпуса приборов. Ниже представлены действительная (см. рис. 113) и эквивалентная (см. рис. 114) схемы нежелательной асимметричной связи двух устройств, питающихся от общей сети. ![Действительная схема нежелательной асимметричной связи](Aspose.Words.bf96a981-3e61-4542-86e3-9eece665efd8.003.png) Рис. 113. Действительная схема нежелательной асимметричной связи ![Эквивалентная схема нежелательной асимметричной связи](Aspose.Words.bf96a981-3e61-4542-86e3-9eece665efd8.004.png) Рис. 114. Эквивалентная схема нежелательной асимметричной связи На рис. 115 показан прием опасного сигнала через сеть питания, в которой наводятся напряжения за счет электромагнитного поля, излучаемого техническими средствами, а на рис. 116 показано излучение опасного сигнала через цепи питания источника наводки. ![Прием опасного сигнала через сеть питания](Aspose.Words.bf96a981-3e61-4542-86e3-9eece665efd8.005.png) Рис. 115. Прием опасного сигнала через сеть питания ![Излучение опасного сигнала через цепи питания](Aspose.Words.bf96a981-3e61-4542-86e3-9eece665efd8.006.png) Рис. 116. Излучение опасного сигнала через цепи питания Все эти виды распространения наводок по сети питания являются асимметричными или однопроводными, поскольку оба провода сети питания передают сигнал наводки в одном направлении. Обратным проводом является «земля». **Симметричная наводка** Симметричное распространение наводки имеет место в тех случаях, когда на проводах сети индуцируются различные напряжения относительно земли. Тогда между проводами образуется высокочастотная разность потенциалов, и по проводам сети проходят токи наводки в разных направлениях (рис. 117). Вследствие этого в приемнике наводки индуцируются равные по величине и обратные по знаку напряжения. Поэтому симметрично распространяющаяся наводка не может проникнуть в высокочастотную часть приемника наводки. Проникновение симметричной наводки через силовой трансформатор путем передачи напряжения, наведенного в первичной обмотке, во вторичную маловероятно вследствие существенных отличий частот сети питания и сигнала наводки. ![Симметрично распространяющаяся наводка](Aspose.Words.bf96a981-3e61-4542-86e3-9eece665efd8.007.png) Рис. 117. Симметрично распространяющаяся наводка Симметричное распространение наводки опасно только при асимметрии приемника наводки относительно проводов сети питания. Например, если в один из проводов сети питания ввести предохранитель, то провода сети будут иметь разные емкости относительно приемника наводки. Через них будут передаваться напряжения, разность которых приведет к наводке в приемнике [10]. **Вторичный источник питания как источник утечки информации** Одними из основных устройств, без которых невозможна работа любого технического средства, являются вторичные источники питания. Эти источники предназначены для преобразования подводимой к ним энергии от сети переменного тока (например, напряжением 220 В с частотой 50 Гц) или постоянного тока (например, напряжением 27 В) в энергию постоянного или переменного тока с напряжением, необходимым для питания аппаратуры технических средств. При определенных условиях вторичные источники питания совместно с подводящими питающими линиями могут создавать условия для утечки информации, циркулирующей в техническом средстве. Несмотря на большое разнообразие конкретных технических решений схем построения таких источников питания, все они содержат в своем составе трансформаторы, выпрямители, сглаживающие фильтры, стабилизаторы и обладают конечным внутренним сопротивлением. При наличии в составе технических средств усилительных каскадов токи усиливаемых в них сигналов замыкаются через вторичный источник электропитания, создавая на его внутреннем сопротивлении падение напряжения и ос, изменяющееся в соответствии с законом изменения усиливаемого (опасного) сигнала (см. рис. 118). ![Пример формирования опасного сигнала в сети питания](Aspose.Words.bf96a981-3e61-4542-86e3-9eece665efd8.008.png) Рис. 118. Пример формирования опасного сигнала в сети питания При недостаточном затухании в фильтре источника питания это напряжение может быть обнаружено в питающей линии. Проникновение опасного сигнала в сеть электропитания может быть связано с тем, что среднее значение тока в оконечных каскадах усилителей технических средств в большей или меньшей степени зависит от амплитуды усиливаемых информационных сигналов. Это приводит к неравномерности потребления тока в цепи питания, которое может быть обнаружено. При наличии трансформаторов в усилительных устройствах технических средств проникновение опасного сигнала в цепи электропитания может происходить из-за наличия магнитной связи между выходным трансформатором усилителя и силовым трансформатором вторичного источника электропитания. 1\. Проникновение опасного сигнала в цепи заземления может быть связано с образованием… А) контуров заземления Б) магнитного поля В) давления атмосферы 2\. В случае ……. ….. , когда провода сети питания прокладываются вместе и имеют одинаковые емкости относительно источников и приемников наводки, в них наводятся напряжения, одинаковые по величине и по фазе относительно земли и корпуса приборов. А) давления атмосферы Б) асимметричной наводки В) нейтрального провода 3\. Лишнее в списке? А) асимметричная наводка Б) симметричная наводка В) параллельная наводка **Список сайтов** 1 2 3 [https://searchinform.ru/analitika-v-oblasti-ib/utechki-informatsii/sluchai-utechki-informatsii/elektromagnitnye-kanaly-utechki-informatsii/]()